1
/
of
2
Wacker Neuson
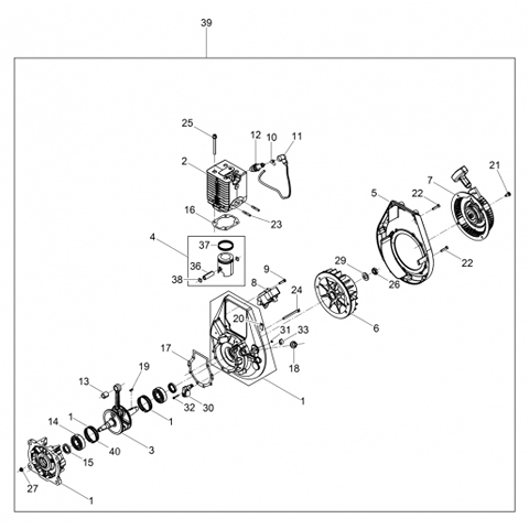
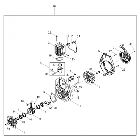
BS50-2 Stud (pt.23)
BS50-2 Stud (pt.23)
5100027617
Regular price
£2.61 GBP
Regular price
Sale price
£2.61 GBP
Unit price
/
per
Shipping calculated at checkout.
Couldn't load pickup availability
SKU:5100027617
Share


- Choosing a selection results in a full page refresh.
- Opens in a new window.