1
/
of
2
Wacker Neuson
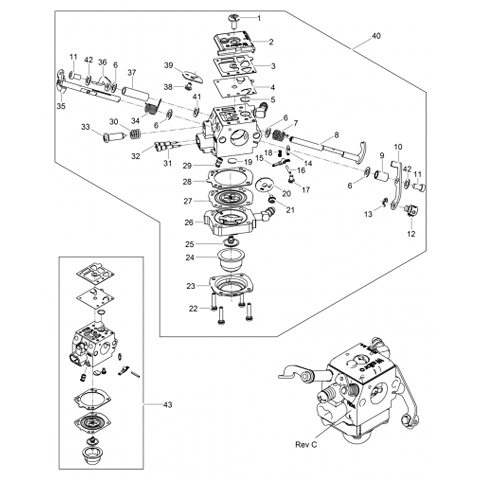
BS50-2 Walbro carburetor (pt.40)
BS50-2 Walbro carburetor (pt.40)
5000183841
Regular price
£141.70 GBP
Regular price
Sale price
£141.70 GBP
Unit price
/
per
Shipping calculated at checkout.
Couldn't load pickup availability
SKU:5000183841
Share


- Choosing a selection results in a full page refresh.
- Opens in a new window.