1
/
of
2
Wacker Neuson
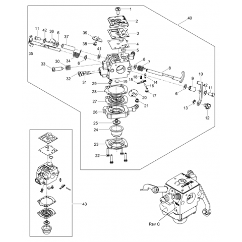
BS50-2 Retaining ring (pt.13)
BS50-2 Retaining ring (pt.13)
5000182768
Regular price
£1.64 GBP
Regular price
Sale price
£1.64 GBP
Unit price
/
per
Shipping calculated at checkout.
Couldn't load pickup availability
SKU:5000182768
Share


- Choosing a selection results in a full page refresh.
- Opens in a new window.