1
/
of
2
Wacker Neuson
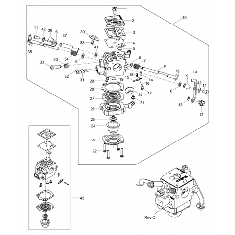
BS50-2 Idle speed screw (pt.33)
BS50-2 Idle speed screw (pt.33)
5000175310
Regular price
£6.59 GBP
Regular price
Sale price
£6.59 GBP
Unit price
/
per
Shipping calculated at checkout.
Couldn't load pickup availability
SKU:5000175310
Share


- Choosing a selection results in a full page refresh.
- Opens in a new window.