1
/
of
2
Wacker Neuson
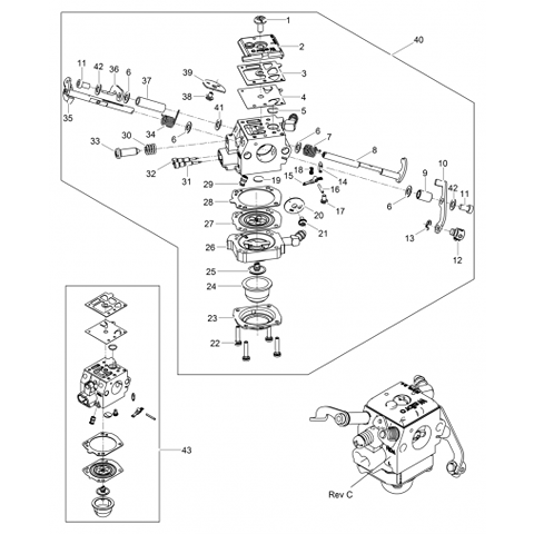
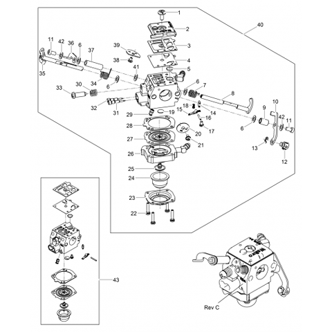
BS50-2 Diaphragm cpl. (pt.27)
BS50-2 Diaphragm cpl. (pt.27)
5000182776
Regular price
£7.77 GBP
Regular price
Sale price
£7.77 GBP
Unit price
/
per
Shipping calculated at checkout.
Couldn't load pickup availability
SKU:5000182776
Share


- Choosing a selection results in a full page refresh.
- Opens in a new window.