1
/
of
2
Wacker Neuson
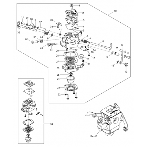
BS50-2 Bulb (pt.24)
BS50-2 Bulb (pt.24)
5000182774
Regular price
£7.81 GBP
Regular price
Sale price
£7.81 GBP
Unit price
/
per
Shipping calculated at checkout.
Couldn't load pickup availability
SKU:5000182774
Share


- Choosing a selection results in a full page refresh.
- Opens in a new window.